Interested to make an accurate electronic thermostat for your refrigerator? The 3 unique solid state thermostat designs I have I have explained in this article will surprise you with their “cool” performances. Design#1: Introduction The unit once built and integrated with any relevant appliance will instantly start exhibiting an improved control of the system saving […]
Thermostat
How to Build a Simple Egg Incubator Thermostat Circuit
An electronic incubator thermostat circuit shown in this article is not only simple to build but is also easy to set and acquire exact tripping points at various different set temperature levels. The setting may be completed through two discrete variable resistors. How Incubators Work An Incubator is a system where bird/reptile eggs are hatched […]
Thermostat Delay Relay Timer Circuit
The circuit given below describes a time delay relay system which is used for keeping a hot air blower working under a specifically programmed timing sequence. The idea was requested by Mr. Doug Shadix, I have explained more: Technical Specifications Hi Swagatam,Looks like you know your stuff when it comes to these timer circuits, this one […]
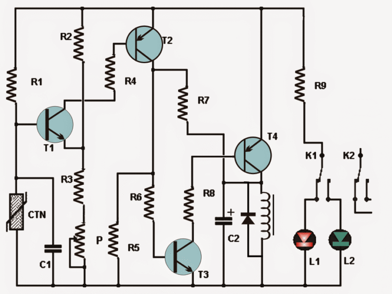
Simple Thermostat Circuit Using Transistors
The electronic thermostat explained here can be used to control the room temperature by appropriately switching (turning on and off) a heating device. By: R.K. Singh Operational details of electronic thermostat The circuit employs a thermistor NTC (negative temperature coefficient) as the sensor device. – As long as the ambient temperature stays higher than the […]



