For measuring high inductance like 100H, the bridge we use is: James Clerk Maxwell Bridge which people also call Maxwell Inductance-Capacitance Bridge. It is made for medium to high Q inductors but when the inductance is large then it still behaves nicely, so people mostly prefer this one. Audio/Video Representation Basic Concept Basic idea of […]
Inductance
Simple 1.5 V Inductance Meter Circuit
Here a simplest yet quite accurate inductance meter is presented, which can be built within few minutes. Furthermore, the circuit can be powered-up with a single 1.5V cell. However, a frequency meter would be required to work-out the inductance. Designed and Presented by: Abu-Hafss Using Cross-Coupled NPN BJTs The circuit is pretty straight forward wherein, […]
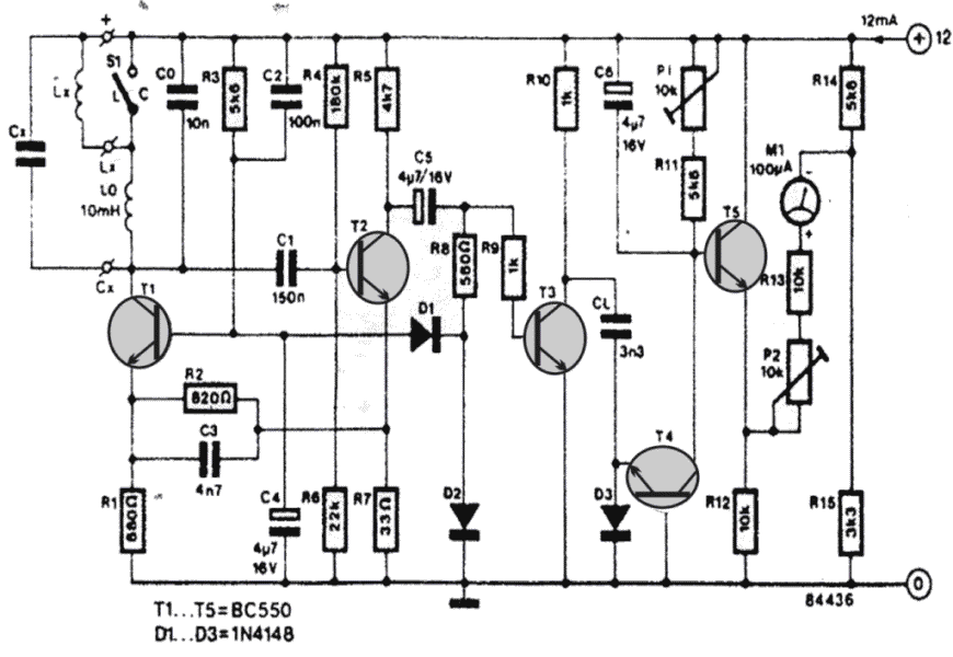
Homemade Inductance Meter Circuit
In this article I have explained a simple yet accurate, wide range inductance meter circuit. The design utilizes only transistors as the main active components and a handful of inexpensive passive components. The proposed Inductance meter circuit can measure inductance or coil values accurately over the given ranges and as a bonus the circuit is […]


