The electric fence charger circuit presented here is basically a high voltage pulse generator. The super high voltage is derived from a commonly used automobile ignition coil. An astable multivibrator is used to generate the required frequency to drive the ignition coil. Another astable is used to control the pulses supplied to the fence. Audio/Video […]
Homemade
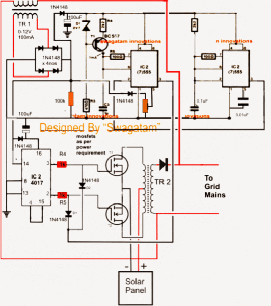
Homemade 100VA to 1000VA Grid-tie Inverter Circuit
The following concept I have explained a simple yet viable solar grid tie inverter circuit which can be modified appropriately for generating wattage from 100 to 1000 VA and above. What’s a grid tie inverter It’s an inverter system designed to work just like an ordinary inverter using a DC input power with an exception […]
Homemade 2000 VA Power Inverter Circuit
Making a power inverter circuit rated above 2000 VA is always difficult, mainly because of the involved transformer dimension which becomes quite huge, unmanageable and difficult to configure correctly. Introduction Power inverters in the range of KVA, requires huge current transferring capabilities for implementing the required operations as per the desired specs of the unit. Transformer being the main power […]
Build a Homemade GSM Car Security System
This super simple circuit design of a gsm car security system really works.Don’t believe it? Find out and learn the simple method of constructing it. How would you feel if you had the power of controlling your vehicle through your own cell phone, from any part of the world? Learn more how to build a […]
How to Make a Simple 200 VA, Homemade Power Inverter Circuit – Square Wave Concept
An efficiency of around 85 % and a power output of more than 200 watts is what you will get from the present design of a power inverter (home built). Complete circuit schematic and building procedure explained herein. Introduction You might have come across many articles regarding power inverters, however you might be still confused […]
Homemade Solar MPPT Circuit – Poor Man’s Maximum Power Point Tracker
MPPT stands for maximum power point tracker, which is an electronic system designed for optimizing the varying power output from a solar panel module such that the connected battery exploits the maximum available power from the solar panel. Introduction NOTE: The discussed MPPT circuits in this post do not employ the conventional control methods like “Perturb and […]





