The post explains the technical specifications, datasheet, and application notes of the IC 78H12A which is a voltage regulator IC capable of providing a fixed regulated 12V output at maximum 5 amp current.
5 Amp Regulator Specifications
We are familiar with the popular 78XX ICs such as the 7812 IC which can produce 12V fixed voltage at its output with input supplies anywhere from 15V to 24V.
However the above device is capable of handling at the most 1 Amp of current which may be not sufficient for many standard applications.
For circuit applications which require currents as high as 5 amps, a higher rated alternative may be selected in the form of the IC 78H12A which is quite similar to its younger brother 7812 but is capable of handling up to 5 amps of current.
The main technical specifications or datasheet of this IC 78H12A may be studied with the following explanation:
The 78H12A is a three terminal linear, positive fixed voltage regulator IC rated for continuously delivering around 5 amps of current with typical fixed 12 volts at its output.
The IC is internally fully protected a against short circuits or over loads at its output which makes it highly rugged and versatile.
In an event of a short circuit or over load across its output terminals, the device instantly shuts down the supply of power across its output leads, thus inhibiting any possibility of electrical hazards. The situation also protects the IC from getting damaged.
The above feature ensures safe operations of the connected electronics and also avoids the inclusion of external safety circuits reducing the cost and the component count of the over all configuration.
The device is available in a hermetically sealed TO-3 metal package, and facilitates easy fitting of an heatsink for better efficiency and working of the device.
Main Technical Features of the IC
The main features of the IC may be summarized as follows:
- Output Voltage: 12V, fixed, regulated
- Output Current: Maximum 5 Amps
- Protections: In-built short circuit and over load protected.
- Power Dissipation: 12 x 5 = 50 to 60 Amp Approximately
- Package: TO-3 metal body

Pin Outs of IC 78H12A
The figure below shows the pinout details of the IC 78H12A, if the device is held with the pins toward us and with the larger plain section of the area upwards, the right pin is the input, the left pin is the output while the body becomes the ground of the IC.

Application Notes
The IC 78H12A is fundamentally suited for all electronic circuit application where a fixed 12V is imperative and with requirements upto 5 amp, example for driving 12V DC motors, for driving high watt white LeDs for flood lighting, and also for charging lead acid batteries (with some modifications).
The following diagrams illustrate a couple of main applications which may be implemented with this versatile 12V 5 amp fixed voltage regulator IC.
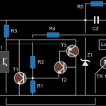
12V 50 AH Battery Charger Circuit

30 watt LED Driver Circuit

Using LM338
In case you are unable to get the above IC, you can create an equivalent 12V 5 amp fixed regulator using the following LM338 based configuration

12V 5Amp from IC 7812
In the above designs I have explained how to get 12V fixed voltage at 5 amp current from specialized IC, however the same could be easily acquired from a simple 7812 IC, through a little modification as given below.
The diodes at the center lead of the IC 7812 allows us to alter the output to any desired value that may be higher than 12V.
For example for charging a 50 Ah battery you may require 14V 5 amp, which can quickly tweaked by adding the shown diodes.
So this design is actually is quite customizable for many different 12V 5 amp applications.
For adjusting the current output, simply alter the value of the lower 1 ohm 5 watt resistor, it's as simple as that!
The indicated TIP36 will allow upto 25 A, however if you are only interested to get 5 amps, you can easily replace it with a TIP32C transistor over a heatsink.





Comments
hello sir for my hunting territory I have 2 300 watt panels which charge my batteries with a zantrex converter when the weather is nice everything works very well but if there are clouds the voltage drops drastically, I thought I would take a 12 volt brushless motor with its driver and power an alternator to charge my batteries what do you think of this idea thank you.
Hello Alain, yes definitely you can do that. You can use an alternator to charge your batteries whenever the weather is not good, and your solar panels are not producing enough power.
Dear Friend. Please share your WhatsApp number so that I send you some pics and videos for better understanding. Thanks
Hello Dear. My problem is my 12 volt 1.5Amp DC brushless fan attached with a solar panel with 12 volt battery. The fan start and stop when the voltage goes over 12 volt. For example, if the voltage are around 13 then this fan starts on & off. when the voltage are stable at 12 volt then fan runs smoothly.
1 – What I presumes that I need a voltage regulator that regulates the volts to 12 all the time, even if the in put voltage may be 13 volts. Is it right?? if yes then which circuit / regulator should I use???
2 – Should I change the hall effect circuit of the brushless DC motor fan with a simple circuit?
Hello, if your motor cannot handle above 12V then you an add a 12V voltage regulator, such as IC 7812.
Hall effect sensor is a part of the BLDC circuit which cannot be modified easily.
1) How to select smoothing or filter capacitor in a practical linear power supply design
2) In a 12v power supply, the load voltage is 12v/1amp and after rectification the voltage become 16.9v more than the load voltage does it mean am to select a 9v transformer in other to have the right out put voltage. Kindly explain
1) You can refer to the following article for calculating the smoothing capacitor:
Calculating Filter Capacitor for Smoothing Ripple
2) Yes that’s correct, but you can easily step down the 16V to 12V by using a 7812 regulator IC.
Thanks for the information,
12V 50 AH Battery Charger Circuit
Is this charger capable of”constant current charging, constant voltage charging, floating charge.” or will I have to have more components to achieve this
Yes it will give slightly less than 5 amp constant current, and also a constant voltage depending on the number of diodes at its GND pin
Hello Swagatam,
I’m looking for a replacement for Solitron BN4001 12VDC, I’would like to know if there is any similar component, specially for the voltage input form 16 to 37V.
Thanks you in advance for sharing your knowledge and experience with us.
Hello Pedro, can you please specify what is this part BN4001, is it a zener diode, rectifier diode or a transistor?
Hello dear swagatam
thank you so much for your very useful and informative site.
I have a question regarding series of IC 78.. for example 7812.
Would please tell if we need to provide an aluminum heater dissipating for IC7812 after the output current of it in an power supply circuit exceeds than 200mA? when we need to mount it on this IC ?
sincerely yours
Najieh
Hello Najieh, you can check that practically by touching. If you find it heating up too much, then a heatsink would help!
Hello sir, Your website is amazing and full of information. Sir I want to design an circuit to charge 20v,5amp
and 48v,30amp. Can you help please?. Thank you
Thank you Ruturaj, I appreciate your question, however, sorry, I do not have an SMPS circuit with 20V and 48V specifications at this moment.
Thank you for your reply sir, can u at least help me with charging circuit for 24V,14amp battery?
Ruturaj, you can try the following schematic, and reduce the secondary side winding turns by 50% to get 24V
https://www.homemade-circuits.com/smps-2-x-50v-350w-circuit-for-audio/
hello, r1 and r2 how many watts would it be, with the IC LM 338, I want to power a 40W thermal printer.
Thank you
Hi, both are 1/4 watt
Hello sir, I want to convert 30V 5A to 18v 5A which circuit will fulfill my requirements.
R8/R8 what does it means.
sorry, I meant R8/R9
Amardeep, you can try the following circuit
https://www.homemade-circuits.com/5v-pwm-solar-battery-charger-circuit/
adjust the R8/R8 to get 18V
Thanks sir, I’ll try.
Tks lot again sir…
Sir,
LM 338k or LM 338t…. Which one is the best to that circuit sir ?
Both are identical, both will work equally well, you can use any one of them
Tks lot sir..
Hello sir,
My 3 wheel head lamp have 1w x 6 leds. Using PT 4115. It dmaged by maginto current. So I want 12v about 5 amp dc circuit. How I modififate above circuit for my requirement.
Bubu, in that case you try the second circuit from the following article
https://www.homemade-circuits.com/2013/07/making-led-halogen-lamp-for-motorbike.html
How can i get 12V, 3-4A output from 5V, 8A power bank batteries? Do giude me for that ASAP
you can get it through a buck converter circuit….search for buck converter in this website for more info…
hello, i want output of 20v and 4 amp from input of 22v and 6amp
which ic can do it please answer.
Hello, you can use an LM338 circuit and adjust its voltage regulation pot to set the required voltage
can i use this to supply strip LED lights…thanks
yes surely you can….
yes you can, but if the LEDs are rated at 3.3V then the ideal way should be to make series of 4 LEDs in one string, and then connect 6 such strings in parallel and use with the above SMPS driver.
Yes its true sir!
Hey Can I get his IC online in India? I checked local store but they don't have. Even when I search this on Google I am not able to find any Datasheet. Why so?
Thanks in advance
You can try LM338 instead, and wire it to produce the required 12V
Sir can i use the 6a10diode as rectifier and also can i use this circuit to charge my 12v 36amp battery.the four 1n4007 will increase the voltage to 14v right?
Victory, yes, you are right, you can go ahead with it….
Hi
I have 12 volt 150 amp battery.
I want to convert 12 volt dc 5 amp For rgb led strip.
My email address is arbinddimond.2009@gmail.com
Thanks
Mr.arbind kumar can u send me circuit diagram of 12v ,5amp dc powersupply.my email address is kingsaeed126@yahoo.com
You can use the circuit suggested above, or use a LM338 IC circuit for the same by adjusting its output at 12V
sir, IRF9540 is a Pchannel enhancement mode mosfet and has a voltage rating is 100V and current rating is 19A.
Subodh, just type 100V p-channel mosfet and Google it online you will find plenty of choices.
You can try the following power supply circuit
https://www.homemade-circuits.com/2012/01/how-to-make-versatile-variable-voltage.html
hello dear my self King saeed from Pakistan.Dear i want to make a DC powersupply from 12v,1amp to 12v,5amp dc so please help me for finding ic or regulater……