For a novice, to understand more on Free Energy Receiver concept, let’s consider a solar-electric panel; widely used as an alternative to electrical energy. Discussing Nikola Tesla’s Free Energy Concepts The invention of Nikola Tesla differs, but the closest thing to his invention can be found in a conventional energy – the photo-voltaics. One major […]
Energy from Magnets
Recovering Electricity from Air Using a Sec Excitor Coil
The following experiment shows how interestingly Mr.Steven could draw free energy from air using his home-built sec exciter coil tower, he used it to a feed a small LM317 power supply unit and made it work successfully. Read more… How to Wind the Inductors “When i hand wind my coils i didn’t use varnish its […]
Making an Inductive Generator Using two Motors
In this post I have explained an over unity generator set up using two motors and an inverter for getting a sustained free energy infinitely. The idea was suggested by Mr. Dare. Technical Specifications I came across your website when searching for on Google, alternator booster which helps small Genset of 650W to bear load […]
Recovering Electrical Energy from Alternator and Battery
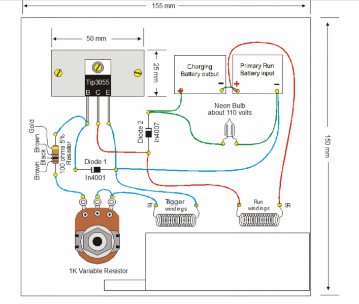
A request was sent to me by one of the readers Mr. Edward Pizzo, regarding solving a circuit issue. The idea refers to a very interesting concept of acquiring free energy through a mechanism which once initiated keeps running in quite a perpetual fashion. Using an Alternator and two Batteries A charged battery #1 is used initially for […]
How to Generate Electricity Using a Flywheel
In this article we investigate the flywheel concept and learn how it may be used for charging batteries and also enhance to work at the overunity level. What is a Flywheel According to Wikipedia, A flywheel is a spinning mechanized machine utilized to stock and release rotational power. Flywheels are seen to possess an inertia, […]
Is this Inductive Overunity? Maybe Not
While experimenting with a 300V DC to 220V AC inverter circuit, I noticed a strange overunity phenomenon which appeared to be like the generation of free energy from the inverter transformer. Recently while experimenting with a high voltage converter circuit, I was quite astonished to see a strange overunity kind of occurrence wherein the inverter […]





